首页
低压元件
智慧照明
工程业绩
下载中心
关于我们
联系我们
网站首页
低压元件
智慧照明
工程业绩
下载中心
关于我们
联系我们
首页
>
低压元件
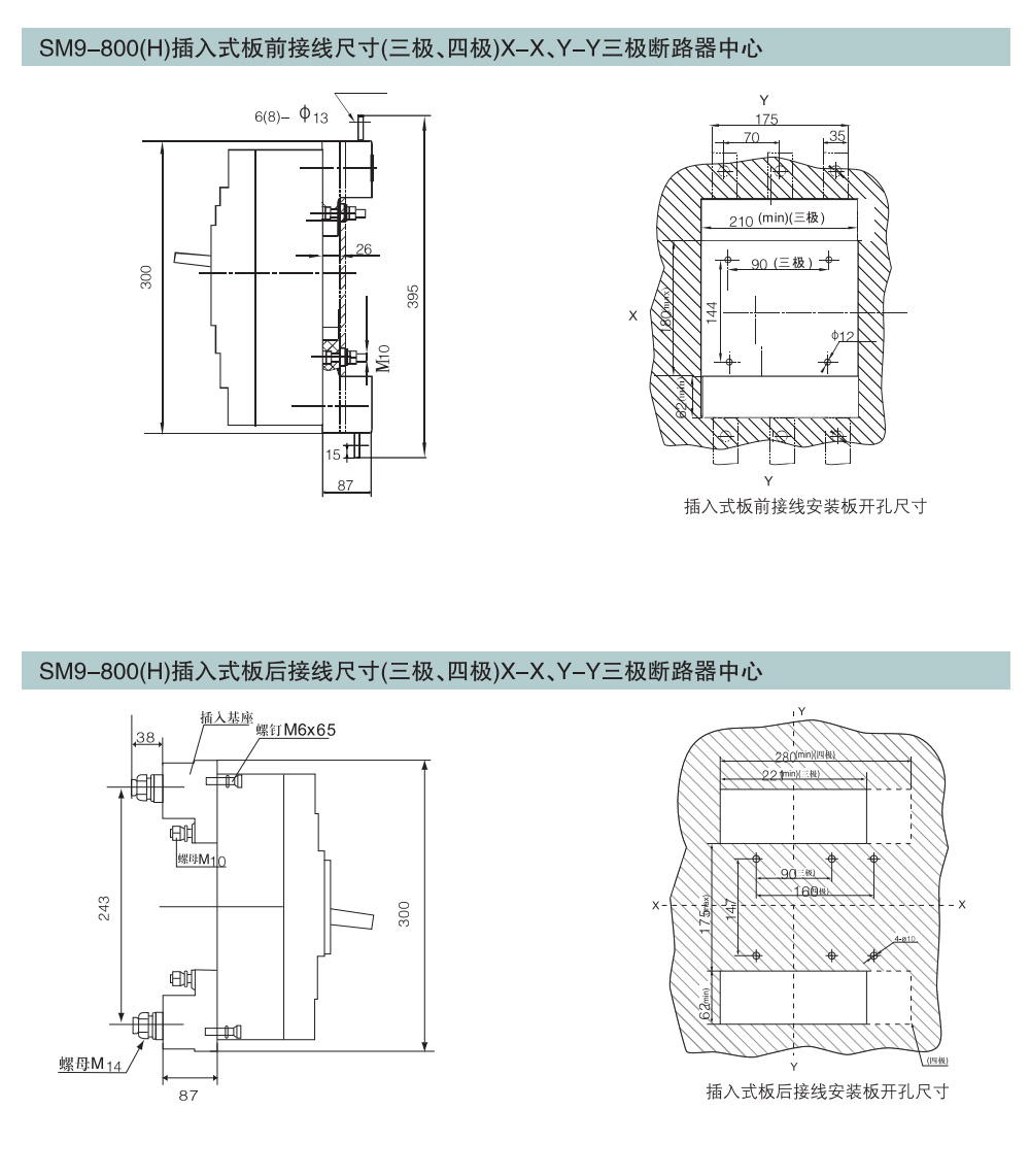
SM9系列 剩余电流保护塑料外壳式断路器
选型手册
价格表
上一个:
SM9E系列 电子式塑壳断路器
下一个:
SW9系列 智能型万能式断路器
首页
产品
电话
顶部